uni
Il rettificatore è un dispositivo elettronico in grado di convertire una corrente di alimentazione alternata in una corrente unidirezionale.
Può essere realizzato in diversi modi ma l’utilizzo di diodi (Diodo) è una delle opzioni più utilizzate.
Un diodo come sappiamo (a meno di tensioni molto negative) lascia scorrere la corrente solo da anodo a catodo, può essere quindi usato per rettificare la corrente.
Esempio di rettificatore con un diodo e una resistenza (che simula il carico):
Usando il modello a caduta costante per il diodo:
Data in entrata, notiamo che la in uscita è unidirezionali, ma è diversa da zero solo durante i semi periodi positivi della tensione in entrata, inoltre, a causa della caduta di potenziale sul Diodo () notiamo che sono presenti un ritardo di conduzione e un anticipo di spegnimento, entrambi del valore di .
Se inseriamo invece un condensatore risolviamo il problema della tensione in uscita presente solo durante i semiperiodi positivi, in quanto quando il condensatore è carico fornisce lui la differenza di potenziale durante i semiperiodi negativi:
Esempio di rettificatore con un diodo ed un condensatore (filtro RC):
Come abbiamo detto durante i semiperiodi negativa è il condensatore a fornire la differenza di potenziale, che però diminuisce al diminuire della carica del dispositivo.
Più capacitivo è il condensatore e meno si scarica tra i semiperiodi positivi, fornendo un potenziale più stabile.
Ora però la ricarica del condensatore avviene solamente durante i semiperiodi positivi, se riuscissimo ad invertire la tensione durante quelli negativi raddoppieremmo la frequenza di ricarica e dimezzeremmo il ripple.
Questa rettificazione si chiama full wave rectification
Introduciamo il PIV: PIV sta per Peak Inverse Voltage ed indica il valore massimo della tensione ai capi del diodo quando questo è interdetto.
Se la PIV supera abbiamo breakdown del Diodo (Breakdown).
La PIV per questi due rettificatori è .
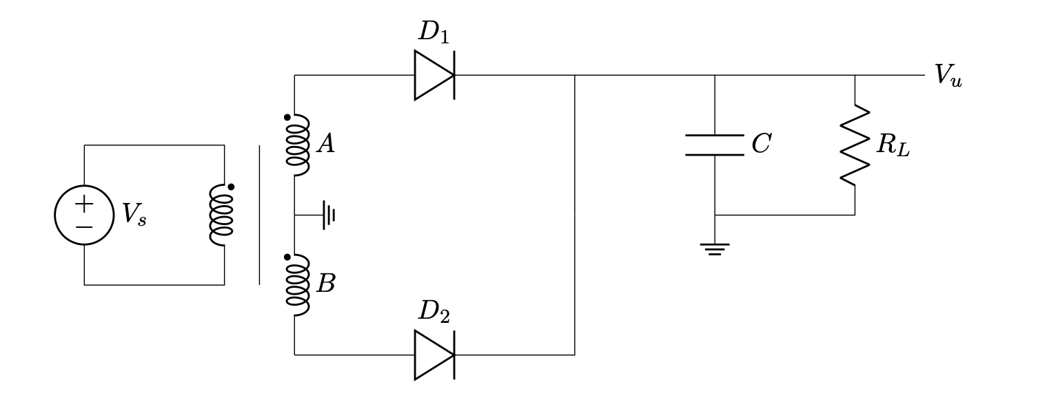
Raddrizzatore a Presa Centrale

Raddrizzatore a Ponte di Graetz

Confronto
| Caratteristica | Presa Centrale | Ponte di Graetz |
|---|---|---|
| PIV | ||
#diodi | 2 | 4 |
| Ingombro | Elevato | Ridotto |
| Caduta di Tensione |